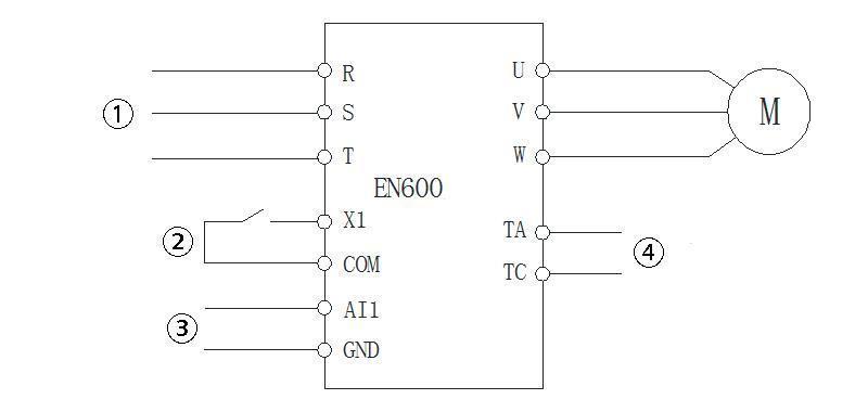
Circular knitting machines bear large load when weaving, thus requiring rapid jogging and booting, and consequently requiring VFD to have large torque under low frequency and rapid response. EN600 variable frequency drive adopts vector control mode to increase the motors’ steady speed precision and the low frequency output torque.
For more information please download the PDF