Equipment introduction
A belt conveyor is a continuous conveying machine and a general-purpose piece of equipment that has nearly limitless application possibilities. Compared to pull-type lifts, these belt conveyors are safer and more efficient.
Application Solutions of ENC inverter to Double-Motor Respectively Drive Belt Conveyor
Electric Characteristics
1. It requires the shaft power of two motors keeps basically the same at work. However, the work power of the upper motor is always greater than that of the lower in real processes. Therefore, we need to make sure that the current of the two motors are nearly equivalent.
2. Adopt ENC EDS2000 series inverter

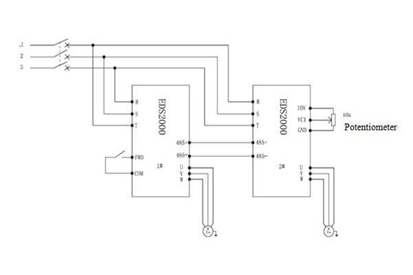
Inverter wiring diagram
B. parameters setting
Suppose 1# is set as the master inverter to drive upper motor (heavier load motor) and 2# as slave inverter to drive the lower motor (lighter load motor).
Parameters setting as below:
1#: F0.02=1 F0.14=60 F0.15=80 F0.20=3 F2.18=0 F9.04=120 F9.09=180
2#: F0.00=8 F0.02=2 F0.14=60.2 F0.15=80 F0.16=51 F0.20=3 F2.09=17 F2.18=1 F8.03=1 F9.04=120 F9.09=180
By manually adjusting the potentiometer, make the frequency of slave inverter (2#) slightly bigger than that of the master inverter (1#), then make sure their currents are equivalent.
Application Occasion Condition
A Chongqing coal mining company's production efficiency has been greatly improved by using two sets of EDS2000-4T0900G/P inverters.
For more details, please download the following document:
Application solution of EDS2000 to coal double-motor PDF