Equipment Introduction
Heating systems require precise controls in order to minimize operating costs and desired temperatures. Our inverter units help control these systems and greatly increase operating efficiency.
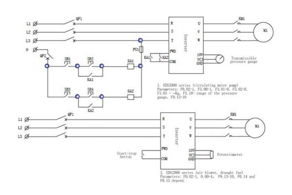
Parameters Setting
F0.00=4, F0.02=1, F0.14=30-120, F0.15=30-120, F5.00=13, F9.13=10

For more details, please download the following document:
Heating industry application solution PDF