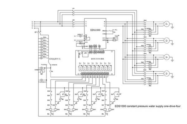
Brief Introduction of Equipment
1. One set of EDS1000 series inverter with free protocol communication, and communicate with water supply board
2. The constant pressure water supply control board
3. Four pump
4. One set of pressure transmitter current type is the best choice, 4-20mA, is not easy to decay, could be transmission signal for long distances.
5. Contactor, thermal relay, intermediate relay, button switch, indicator lamp et
Parameter Settings
F0.02=1orF0.02=2: terminal run command control.
F3.00=2(Constant pressure water supply is effective)
F3.01=0(The pressure given for digital given)
F3.02=1(Feedback channel selection CCI)
F3.03= The target pressure setting(Set according to the requirements, corresponding to the pressure transmitter and pressure gauge range)
F3.05=20(When the feedback signal is 4-20mA, need to set this parameter to calibrate the pressure feedback signal)
F3.16=30Hz (The sleep frequency , can adjust, when the feedback pressure reaches the target pressure, after sleep delay time, frequency enter a state of dormancy to deceleration time decreased to 0.)
F3.17= Recovery pressure threshold (when the inverter is in a dormant state, pressure below this threshold value, after wake up delay time, the inverter frequency recovery, rise, pressure recovery)
F3.20=3(Select the constant pressure water supply board do one-drive-four water supply mode)
F3.21= Pressure gauge or pressure sensor range
F3.26=1(when this parameter is set to 1, monitor the C-11 (pressure), C-12 (back pressure)
F3.31=0-2 (Selection of variable frequency circulating mode, effective to the use of constant pressure water supply control board.)
F5.00=33(The X1 terminal is connected to the water supply board, as external interrupt signal, used for by-pass and frequency switching)
Connection: (there is a wiring diagram)
For more details, please download the following document:
EDS1000 one -drive-four mode application of constant pressure water PDF